產品詳情:
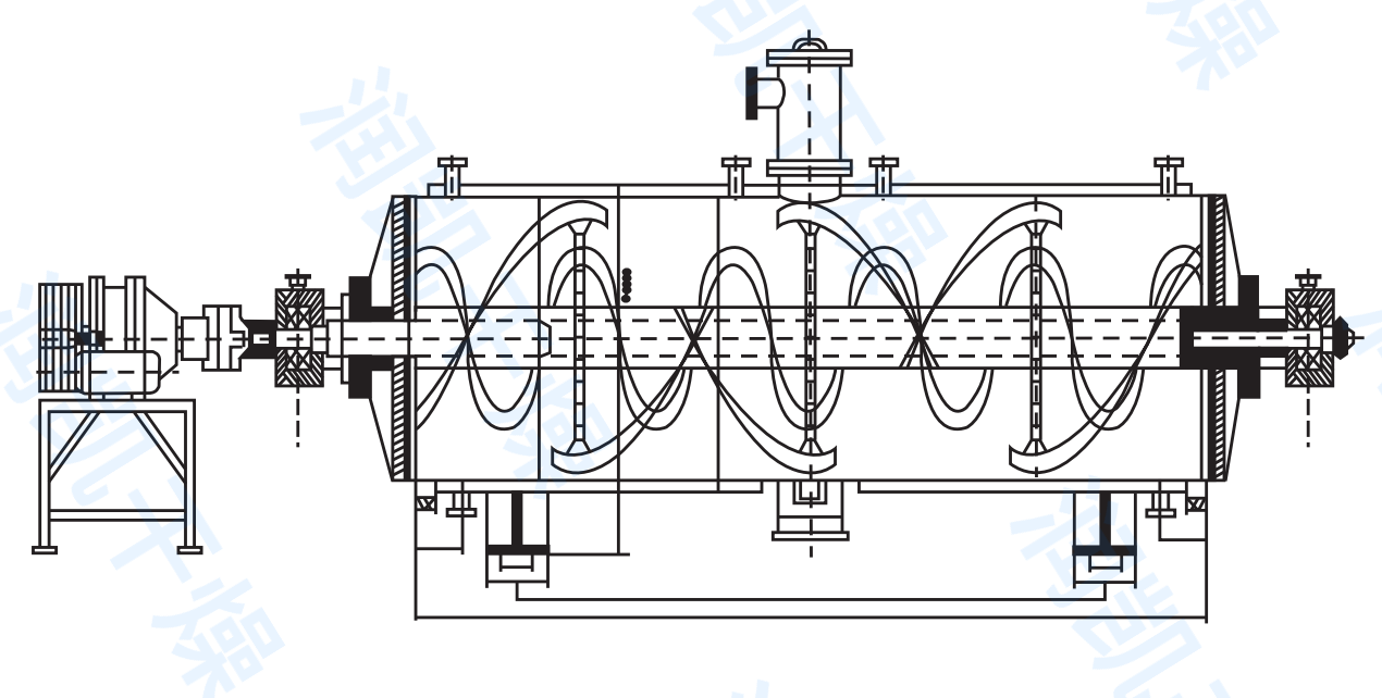
真空耙式干燥機是一種新穎臥式間歇式真空干燥設備,濕物料經傳導蒸發,帶有刮板攪拌器不斷清除熱面上的物料,并在容器內推移形成循環流,水份蒸發后由真空泵抽出。真空耙式干燥機,在化學工業中的有機半成品和燃料干燥操作中用得較多。
真空耙式干燥機裝置用蒸汽夾套間接加熱物料,并在高真空下排氣,因此特別適應不耐高溫、在高溫下易于氧化的物料或干燥時容易產生粉末的物料(如各種燃料),以及干燥過程中排除的蒸汽或溶劑必須回收的物料干燥作業。真空耙式干燥機中被干燥物料含水量或溶劑量最高達到90%,而最低的只有15%。被干燥物料有漿狀、膏狀的、粒狀的、粉狀的,也可以是纖維狀的。這些物料干燥后的含水率一般達到0.1%,甚至0.05%。被干燥物料從殼體上方正中間加入,在不斷轉動的耙齒的攪拌下,物料與殼體壁接觸時,表面不斷更新,被干燥物料受到蒸汽間接加熱,而使物料水分氣化,氣化的水分由真空泵及時抽走,該機可同時采用夾層與耙齒同時加熱方式,傳熱面積更大,熱效率高,使其獲得更高的干燥效率。由于操作真空度較高,被干燥物料表面水蒸氣壓力遠大于干燥機殼體內蒸發空間的水蒸氣壓力,從而有利于被干燥物料內部水分和表面水分的排出,有利于被干燥物料的水分子運動,達到干燥目的。
應用:
醫藥、食品、化工等行業進行以下物料干燥:
適用于漿狀、膏糊狀、粉狀物料。
要求低濕干燥的熱敏性物料。
易氧化、易爆、強刺激、劇毒物料。
要求回收有機溶劑的物料。
特點:
本機夾層與攪拌軸同時加熱,傳熱面大,熱效率高。
本機攪拌軸可正反轉,使物料在筒內形成連續循環狀態,進一步提高了物料受熱的均勻度。
本機攪拌軸采用螺旋分布,從而可順利進行漿狀、膏狀、糊狀物料干燥。
技術參數:













相關產品:
ZPG真空耙式干燥機
LPG噴霧干燥機
空心槳葉干燥機
流化床干燥機